![]()
ARCHIEF: artikelen van 2005
ARTIKELS ELEKTRONICA:
Alle kanalen komen terecht op wat men noemt een mix-bus . De term "mix-bus" is een algemene benaming voor een plaats waar de audiosignalen ook werkelijk bij elkaar gemengd worden. In professionele mixers bestaan een hoop mixbussen. In de Rodec die wij zullen analyseren, volstaan we met twee mix-bussen, de STEREO-MIXBUS en de PFL-MIXBUS.
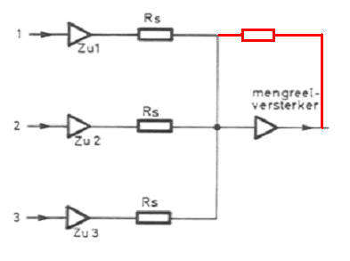
Bekijk even het bovenstaande stukje geknipt uit het blokschema. De manier van mixen die het meest gebruikt wordt is weerstandsmixing zoals hier ook het geval is. Om het principe van weerstandsmixing te begrijpen, moeten we even kijken wat er zou gebeuren als we de uitgangen van 3 ingangskanalen zonder meer parallel bij mekaar zouden koppelen.
Elke versterkeruitgang heeft een uitgangsimpedantie. En deze uitgang mag niet ongestraft belast worden. En dat zal wél gebeuren in het bovenstaande geval! De impedantie waarmee we de eerste kanaaluitgang zouden belasten, is gelijk aan de parallelschakeling van beide andere kanalen, nl. de uitgangimpedantie gedeeld door twee (Zuit/2).
Een voorbeeld:
Voor de menging is de uitgangsspanning 1 V afkomstig van kanaal 3. Na de menging is de uitgangsspanning 0 V doordat de schuiver van kanaal 6 helemaal dicht staat en er een kortsluiting is naar massa.
Spanningsversterkers moeten werken volgens het principe van spanningsaanpassing wat we in het hoofdstuk over versterkers gezien hebben. Dat wil zeggen dat de belastingsimpedantie (Zb) toch zeker een tiental keer groter moet zijn dan de uitgangsimpedantie (Zu) van de versterker. De voorwaarde Zb > 10xZb moet ook behouden blijven als meerdere belastingen parallel geschakeld worden. Om aan die eis te voldoen, moet aan iedere versterkeruitgang een serieweerstand Rs tussengeschakeld worden.
Nemen we opnieuw ons voorbeeld:
Of anders getekend:
De uitgangsspanning zal 0,5 V zijn. Aan dit voorbeeld is al te zien dat weerstandsmenging een verzwakking geeft. Er is een mengverlies over de serieweerstand Rs . Het minimum mengverlies is afhankelijk van het aantal te mengen ingangen:
B = 20 log n
met B = de verzwakking van ieder ingangssignaal (dB)
en n = het aantal te mengen ingangen
Voor 2 ingangen zoals in ons voorbeeld bedraagt de minimumverzwakking per ingangskanaal:
B = 20 log 2 = 20 x 0,3 = 6 dB (of anders gezegd: de helft!)
Om het verlies van die serieweerstand te compenseren zal het knooppunt, waar de signalen bij elkaar komen, steeds gevolgd worden door een mengversterker die het signaal terug op het juiste niveau brengt. Deze versterker is reeds getekend in één van de voorgaande figuren.
Het hiervoor beschreven geheel van weerstandsmenging gevolgd door de versterker wordt een "combining network " genoemd.
De voornaamste kwaliteit van een CN is de oversturingsreserve. Hoe meer signalen er op een bus gemengd worden, hoe hoger de spanningswaarde aan de in- en uitgang van de versterker!
Eddy Vlaeminck mailde ons met enkel bedenkingen over de uitleg van de mixbus.
Als je de uitleg doet aan de hand van het blokschema zou dit nog kunnen kloppen.

Alleen mankeert er in het blokschema één cruciaal element:

En dat verandert héél de benadering...
Kijk maar eens naar het echte schema:

Vereenvoudigd ziet dit er zo uit (Condensator C19 dient enkel om de offset-voltage van de voorgaande op-amps tegen te houden, omdat anders bij het verschuiven van de pot-meters er storende bijgeluiden kunnen optreden)

En dan zien we dat het hier niet gaat om menging via weerstanden maar dat het hier gaat om een klassieke sommeer-versterker...
Ik zal mijn stelling verdedigen. We beginnen met de gouden regel van de OP-amps: Als de uitgangsspanning van de OP-amp ligt tussen de + en de - 15V, en in dit geval zeker, want ze zal zo goed als 0 zijn, dan is het verschil tussen het + en het - pootje 70.000 keer kleiner, ofwel 0 V.

Als je nu op de ingang + 1 V zet dan zal de OP-amp een instelling kiezen zodanig dat het verschil tussen de + en - pootjes NUL blijft.

Hij zal zich instellen met de uitgang op -1 V, de stromen tussen R33 en R35 zullen mekaar opheffen en het verschil tussen de + en de - pootjes blijft 0.
Als je nu op een tweede ingang + 1V zet, dan zal er naar het - pootje 40 uA vloeien en de OP-amp zal nu zijn uitgangsspanning aanpassen zodanig dat de stroom naar de - poot terug 0 wordt, en daarvoor heeft hij een uitgangsspanning van - 2 V nodig.

U ziet dat het verschil tussen de + en - pootjes netjes NUL blijft...
U ziet ook dat de uitgangsspanning de som is van de ingangsspanningen maal - 1. De versterking word bepaald door de verhouding van de weerstanden R35 en R33. (in dit geval R33/R34 of 47k / 47k of 1)
De ingangsimpedantie van het hele geval is ook heel simpel te berekenen:

Aangezien het - pootje steeds op 0 V staat, kun je dit vervangen door een Massa. Dan zie je dat de impedantie voor elke ingang gelijk is aan ... 47 K. Er kan ook geen stroom vloeien van de ene ingang naar de andere, m.a.w. ze kunnen mekaar niet beinvloeden doordat de ene kant steeds op NUL staat.
Je ziet: OP-amps zijn eigenlijk héél simpel.
Zie dit maar eens na en doe enkele proeven: je komt gegarandeerd tot de slotsom dat dit de correcte werking is.
Wij danken lezer Eddy Vlaeminck voor zijn uitleg.
De master fader (potentiometer) is de schuiver die volgt na de mix. Het is een globale niveauregeling. Op de Rodec MX180 die we hierboven zien zijn er 2 masterfaders. De AUX-uitgang of auxilliary-uitgang is een extra uitgang die kan gebruikt worden om bijvoorbeeld het signaal op te nemen of te bewerken.
Het PFL of "Pre Fader Listen" circuit heeft tot doel om het signaal dat van de EQ naar de fader gestuurd wordt, zowel visueel als auditief te kunnen controleren. We hebben reeds vermeld dat signalen die door een mengtafel lopen gemakkelijk oversturingen kunnen veroorzaken. Het heeft weinig zin om een masterfader lager te zetten, indien het signaal reeds aan de ingang van de potentiometer te hoog is. Vandaar het belang om het signaal op zijn correct niveau te controleren. De belangrijkste plaats om dat te doen is na de toonregeling, vooraleer men niveauregeling via de kanaalfader toepast. Dit gebeurt door de PFL-schakelaars of -toetsen.
Het PFL-circuit bestaat uit een PFL-schakelaar per kanaal door ook gemixt worden door weerstandsmenging. De monitor amplifier is een versterker waarna het signaal naar een meettoestel gaat enerzijds en een audio-eindversterker anderzijds om met de koptelefoon te kunnen luisteren.
Niet enkel kan op deze manier eventuele oversturing ontdekt worden, maar kan tevens auditief de bewuste signaalinhoud beluisterd worden!
Ga naar het volgende hoofdstuk
Keer terug naar het vorige hoofdstuk
INHOUD: "Het mengpaneel van de DJ":